技術介紹
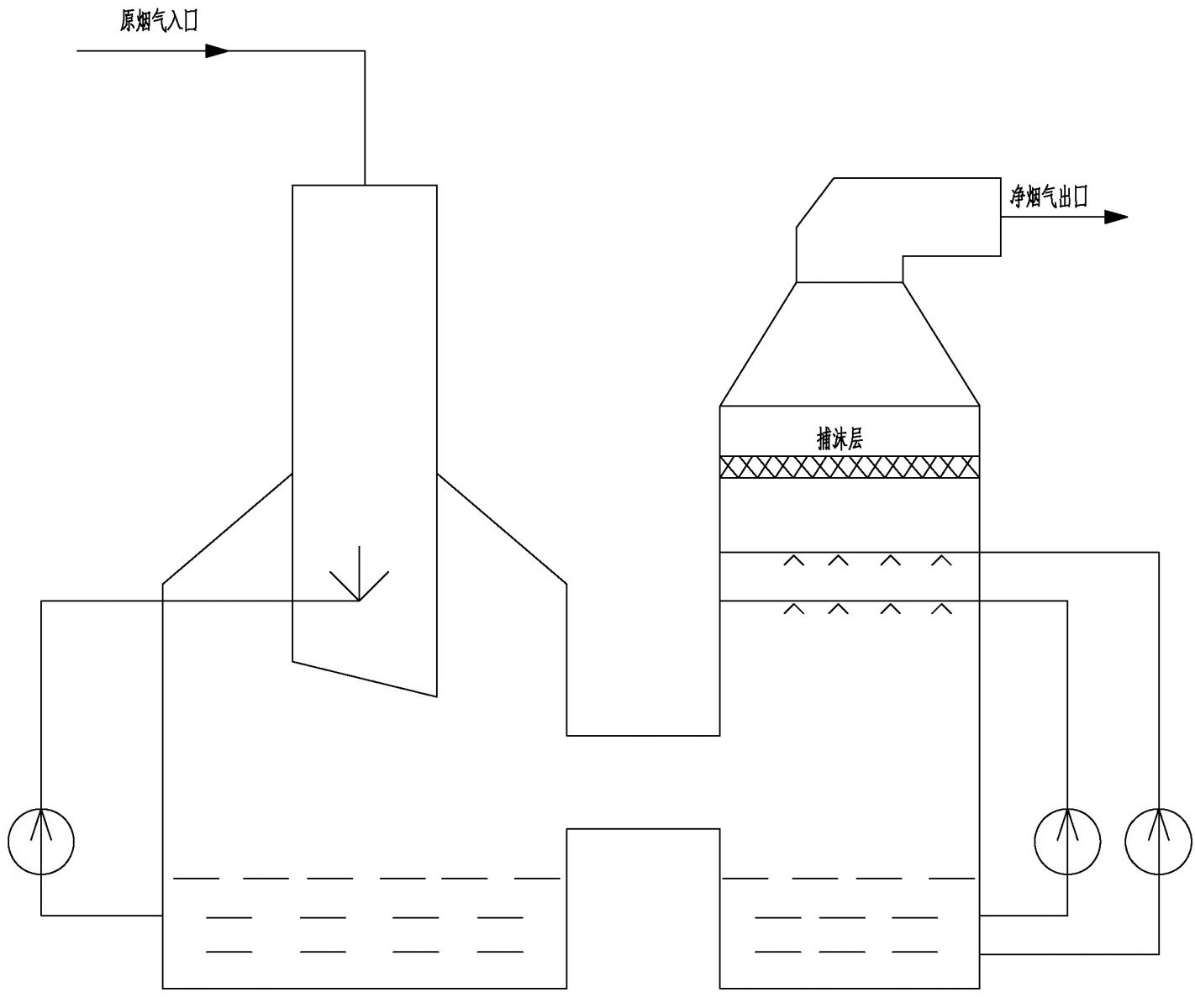
雙盾H型湍沖塔雙循環脫硫技術是一種新型高效脫硫技術,氣、液兩相在特定的區域充分接觸,達到動量平衡狀態,液體在此區域內形成穩定泡沫區,在泡沫區內完成氣、液、固三相的高效傳質,既能有效地清除粉塵,又能高效地脫除氣態污染物,單級脫硫效率可達到99.5%以上。
根據煙氣中S02濃度高低,調整湍沖塔吸收方案,分區控制氧化及PH值,以低能耗實現出口SO2濃度達到超低排放。
技術特點
1、采用湍沖塔技術,液氣比小,系統阻力低,能耗低,除雜質能力強,脫硫效率高。
2、采用大口徑噴嘴技術,無堵塞,磨損小,操作維護量少,確保長周期穩定高效運行。
3、煙氣量變化的適應性較強,氣量波動可達40%。
4、占地面積小,投資成本低。
5、吸收塔筒體采用全玻璃鋼材質或鋼襯耐腐蝕材料,耐腐蝕,免維護,施工周期短。
6、適用于鈣法、鎂法、氨法、雙堿法、氧化鋅法等脫硫劑。
應用范圍
燃煤電廠、石化、冶金、鋼鐵等行業煙氣脫硫工程。
脫硫工藝

單塔單循環 適用于中低含硫煙氣

單塔雙循環 適用于中高含硫煙氣 吸收、氧化分開

SDH型雙塔雙循環 適用于中高含硫煙氣 吸收、氧化分開
業績
| 序號 |
用戶單位 |
設備名稱 |
數量 |
噴淋介質 |
| 1 |
四川會理昆鵬銅業有限公司 |
尾氣吸收裝置 |
1套 |
Ca(OH)2 |
| 2 |
云南銅業股份有限公司 |
尾氣吸收裝置 |
3套 |
有機胺、硫銨、ZnO |
| 3 |
江西銅業股份有限公司 |
尾氣吸收裝置 |
1套 |
Ca(OH)2 |
| 4 |
中國礦業陜西有限公司 |
尾氣吸收裝置 |
2套 |
Ca(OH)2 、NaOH |
| 5 |
梅州市金雁實業集團公司 |
尾氣脫硫裝置 |
1套 |
Ca(OH)2 |
| 6 |
韶關冶煉廠 |
尾氣脫硫裝置 |
2套 |
Ca(OH)2 |
| 7 |
中鋼(邢鋼) |
尾氣脫硫裝置 |
1套 |
硫銨 |
| 8 |
新疆喀拉通克 |
尾氣吸收裝置 |
1套 |
Ca(OH)2 |
| 9 |
內蒙古阜豐生物科技有限公司 |
尾氣吸收裝置 |
1套 |
Ca(OH)2 |
| 10 |
金川集團有限公司 |
尾氣吸收裝置 |
14套 |
NaOH |
| 11 |
新疆阿舍勒奎屯冶化分公司 |
尾氣脫硫裝置 |
2套 |
NaOH |
| 12 |
云南錫業銅冶煉 |
環保煙氣脫硫 |
1套 |
Ca(OH)2 |
| 13 |
江蘇藍豐生物化工股份有限公司 |
尾氣脫硫裝置 |
1套 |
NaOH |
| 14 |
赤峰金劍銅業有限責任公司 |
尾氣脫硫裝置 |
1套 |
Ca(OH)2 |
| 15 |
寶山鋼鐵股份有限公司 |
排氣洗凈塔 |
1套 |
(NH4)2SO4 |
| 16 |
浙江和鼎銅業有限公司 |
尾氣脫硫裝置 |
1套 |
Ca(OH)2 |
| 17 |
江銅集團四川康西銅業公司 |
尾氣脫硫裝置 |
1套 |
Ca(OH)2 |
| 18 |
新疆五鑫銅業有限責任公司 |
尾氣脫硫裝置 |
1臺 |
Ca(OH)2 |
| 19 |
陽谷祥光銅業有限公司 |
尾氣脫硫裝置 |
1套 |
NaOH |
| 20 |
赤峰山金銀鉛有限公司 |
尾氣吸收系統 |
2套 |
NaOH、CaCO3 |
| 21 |
宜章弘源化工有限責任公司 |
尾氣吸收系統 |
1套 |
NaOH |
| 22 |
白銀公司銅冶煉廠 |
尾氣脫硫裝置 |
1套 |
Ca(OH)2 |
| 23 |
湖南水口山有色金屬集團公司 |
揮發窯煙氣脫硫 |
1套 |
ZnO/堿液 |
| 24 |
新疆招金冶煉有限公司 |
尾氣脫硫裝置 |
1套 |
亞納溶液、堿液 |
| 25 |
銅陵集團銅冠物資有限公司 |
硫酸尾氣脫硫 |
1套 |
NaOH |
| 26 |
大冶有色金屬有限責任公司 |
尾氣脫硫裝置 |
1套 |
Ca(OH)2 |
| 27 |
株洲冶煉集團股份有限公司 |
尾氣脫硫裝置 |
1套 |
NaOH |
| 28 |
紫金銅業有限公司 |
尾氣脫硫裝置 |
1套 |
有機胺 |
|